15/5/21 In this project, an adjustable power supply circuit is designed which inputs AC mains and provides 0 to 30V 2A DC Voltage as output The power supply designed in this project is an adjustable linear regulated type so the output voltage of the circuit is constant and is varied mechanically with the help of a variable resistor In this type of17/6/21 Best 0 30v 10a regulated variable 5a power supply circuit bench lm723 to 50v 10amp dual laboratory simple Best 0030v Variable Power Supply Circuit Diagram Pdf Lm317 Renault Grand Grand Scenic 10a Diagram Renault Scenic Bose 30v 10a Switch Wiring Switching Power 2n3055 Adjustable Bench Power Trailer Wiring Thermostat Wiring Electrical Wiring Lm723 Voltage Regulator Variable power supply circuit 030v 2A
Red 0 30v 2ma 3a Continuously Adjustable Dc Regulated Power Supply Diy Kit G4j7 Ebay
Homemade 0 30v variable power supply circuit diagram
Homemade 0 30v variable power supply circuit diagram-030V 010A regulated variable power supply circuit This is the circuit diagram of voltage and current regulator circuit that can give the output of min 15v to max of 30v DC and current min 0 to max 10A Use the 5k potentiometer for the adjustment of voltage and the 1k potentiometer with BD139 transistor for adjustment of currentBest & Fast Prototype ($2 for 10 PCBs)Check Out https//wwwjlcpcbcom# Link PCB Layout, Silkscreen, Schematic, Gerber Filehttp//bitly/2RvV5pu$8 OFF On T



Variable Voltage Current Power Supply Circuit Using Transistor 2n3055 Homemade Circuit Projects
030V 010A Regulated Variable / Adjustable Power Supply Circuit Diagram This battery charger circuit provides the Automatic cut off the facility when the battery gets fully chargedBefore the use of this circuit, you need to adjust the Cut off voltage range for the auto cutThis adjustment is done by the 10k preset, and a multimeter connected030V Stabilized Variable Power Supply with Current Control This is high quality 030v stabilized variable power supply circuit diagram You will able to adjust the output voltage from 0 volt up to 30 volt DC You also able to adjust the current output value from 0002 A to 3 A This variable power supply incorporates an electronic output7/6/19 7/6/19 0 to 12 Volt Variable Power Supply Using BD139 Transistor mis 0 to 12v variable power supply project report, 024v variable power supply circuit diagram, 030v 010a regulated variable power supply circuit, 030v power supply circuit using lm317, 030v variable power supply circuit diagram pdf, adjustable voltage and current
Over 11 Visual representation of Simple Variable Power Supply Circuit 0 30v 2a Eleccircuit Com, Manual PDF online, Every resources helps and easy to understand Print and download Simple Variable Power Supply Circuit 0 30v 2a Eleccircuit Com030V Stabilized Variable Power Supply with Current Control This is high quality 030v stabilized variable power supply circuit diagram You will able to adjust the output voltage from 0 volt up to 30 volt DC You also able to adjust the current output value from 0002 A to 3 A This variable power supply incorporates an electronic outputCircuit Diagram Of Variable Ac Power Supply Posted by Margaret Byrd Posted on Simple Variable Power Supply Circuit 0 30v 2a Eleccircuit Com Ic 7805 Variable Power Supply Circuit 5v To 15v Homemade Projects
DIY Bench Power Supply Circuit Diagram Variable Power Supply Circuit Diagram 030V 010 AmpHello, friends in this video we will make a Variable Power SupVariable power supply circuit 030v 2a 030v 05a regulated variable power supply circuit Simple variable power supply circuit 030v 2a Variable power supply circuit 030v 2a xxxx Ac variable power supply circuit with pcb, 030v 3a Variable power supply 030v 1a using transistors 0 30v power supply circuit diagram Power supply 0 to 30v 2a variable with ic mc1466l circuit 94d8f70 0 30v030v 05a regulated variable power supply circuit Variable power supply circuit 030v 2a Simple variable power supply circuit 030v 2a Variable power supply circuit 030v 2a xxxx 130v / 05a adjustable power supply Ac variable power supply circuit with pcb, 030v 3a Variable switch mode power supply circuit,050v at 5a Variable power supply 030v 1a



Precise Power Supply Adjustable 0 30v 0 3a Diy From Vitor Market On Tindie



Diy 0 30v 2ma 3a Adjustable Dc Regulated Power Supply Diy Kit Short Circuit Current Limiting Protect With Cables Circuit Circuit Diycircuit Kit Aliexpress
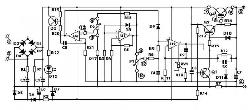
With the advent of chips or ICs like LM317, L0, LM338, LM723, configuring power supply circuits with variable voltage output with the above exceptional qualities has become very easy nowadays How to Use LM317 for Producing a Variable Output Here we'll try to understand how to construct a simplest power supply circuit using the IC LM317Homemade 0 30v variable power supply circuit diagram MJlorton has added a link of your variable circuit diagram uploaded on brighthubengineeringcom in his video series of how to build a variable power supply and i feel proud of looking at it i am in search of a versatile digital variable power supply diagram with the specifications of 030v 05amp i shall be highly obliged if you030VDC variable power supply circuit at 1000 × 405 in 030V Stabilized Variable Power Supply with Current Control How the 030VDC variable power supply circuit works The diode D8 is a 56 V zener, which here operates at its zero temperature coefficient current The voltage in the output of U1 gradually increases till the diode D8 is



Portable Variable Power Supply Part 1



1 5v 30v 1 5a Lm317 Variable Power Supply
/7/21 Best for who is finding circuits 012V and 024V variable power supply circuit diagram Because It is high current, normal parts, a new circuit design Why should make 030V variable Power Supply Modern design—I used to show you the old circuit below, also using LM723But it powers a current just 2A31/7/14 MJlorton has added a link of your variable circuit diagram uploaded on brighthubengineeringcom in his video series of how to build a variable power supply and i feel proud of looking at it i am in search of a versatile digital variable power supply diagram with the specifications of 030v 05amp i shall be highly obliged if you could provide me the same either existing diagram



Homemade Electronics For The Radio Amateur Radio Amateur Useful And Simple Electronic Devices And Homemakes With Their Own Hands Luminescent Lamp Power Circuit



3



How To Make Variable Power Supply Circuit With Digital Control



6a 0 28v Variable Power Supply Electronic Schematic Diagram



Original Hiland Diy 0 30v 0 1a Lm317 Adjustable Voltage Current Power Supply Kit Arduino Tech



1 5 To 37 Volt 30 Amp Power Supply



Diagram Diy Power Supply Diagrams Full Version Hd Quality Supply Diagrams Diagramland Andreapendibene It



Linear Power Supplies Circuit Basics



0 30v Variable Power Supply Circuit Diagram At 3a Eleccircuit Com



0 50v 0 4a Laboratory Type Power Supply Tl081 249 Schematic Circuit Diagram



0 28v 6 8a Power Supply Circuit Using Lm317 And 2n3055



Amazon Com Devmo 0 30v 2ma 3a Adjustable Dc Regulated Power Supply Module Short Circuit Current Limit Protection Diy Kit Industrial Scientific



Variable Voltage Current Power Supply Circuit Using Transistor 2n3055 Homemade Circuit Projects



Variable Regulated Power Supply Pocketmagic



Adjustable 0 To 30v 2a Dc Power Supply Circuit Part 1 13



Variable Power Supply 0 30v s Circuit Schematic Diagram



Portable Variable Power Supply Part 1



0 30v 0 a Adjustable Switch Mode Power Supply Sg3525 Smps Electronics Projects Circuits



Best 0 30v 0 10a Regulated Variable Adjustable Power Supply Circuit



Csattanas Mitologia Kulonlegesseg Adjustable Switching Power Supply Circuit Thatsoundsokay Com



Adjustable 0 30v Power Supply Electronic Circuit Diagram



Adjustable Dc Regulated Power Supply Diy Kit Short Circuit Protection 0 30v Buy Adjustable Dc Regulated Power Supply Diy Kit Short Circuit Protection 0 30v In Tashkent And Uzbekistan Prices Reviews Zoodmall



Amazon Com Red 0 30v Adjustable Dc Regulated Power Supply Diy Kit Short Electronics



Akut Egyedul Burgundia How To Make A Variable Voltage Dc Power Supply Thatsoundsokay Com



2



A Variable Power Supply 1 2v To 30v Dc Diy Science Project Mepits



0 To 40v Lab Power Supply



0 3a 0 30v Switched Digital Power Supply Schematic Circuit Diagram



New 0 30v 2ma 3a Dc Regulated Power Supply Diy Kit Continuously Adjustable Short Circuit Current Limiting Protection Diy Kit Buy Regulated Power Supply Adjustable Short Circuit Current Limiting Protection Product On Alibaba Com



0 30v Variable Power Supply Circuit Diagram Grow Amis



Diy Variable Power Supply With Adjustable Voltage And Current



0 30v 0 10a Regulated Variable Power Supply Circuit



Simple Variable Power Supply Circuit 0 30v 2a Eleccircuit Com



All Power Supply Stabilized Continuous Adjustable Dc Regulated Power Supply Diy Kit 0 30v 2ma 3a Adjustable Power Supplies



0 30v 2ma 3a Adjustable Dc Regulated Power Supply Diy Kit Short Circuit Current Limiting Protection For Arduino Protection Protection Shortprotection Circuit Aliexpress



Pin On Hlektronika



12v 3a Power Supply Circuit Using 2n3055 Transistor



Mile Kokotov Psu 0 30v 0 3a



0 300v Adjustable Mosfet Transformerless Power Supply Circuit Homemade Circuit Projects



Diy Bench Power Supply Circuit Diagram Variable Power Supply Circuit Diagram 0 30v 0 10 Amp Youtube



Easy Project Bench Power Supply 0 30v 2 Amp 10 Steps With Pictures Instructables



How To Make Variable Lab Bench Power Supply Youtube



30v 10a Variable Bench Power Supply



Original Hiland Diy 0 30v 0 1a Lm317 Adjustable Voltage Current Power Supply Kit With Led Instruction Alexnld Com



10a 1 30v Variable Power Supply With Lm317



25v 3a Variable Power Supply Using Lm350



Buy Diy Dc 0 30v 2ma 3a Adjustable Dc Regulated Power Supply Module Kit Online In Taiwan



Power Supply Problems Physics Forums



0 30v 5a Adjustable Symmetrical Power Supply Power Supply Circuits



Mile Kokotov Psu 0 30v 0 3a



How To Make A Variable Power Supply 1 25v 0 10a Voltage Current Adjustable Power Supply Rc Arac Yapimi Diy Hobi Elektronik Arduino Projeler Rc Ucak Yapimi



How To Make A Diy Variable Power Supply With Adjustable Voltage 0 30v And Current 0 10a Youtube



Red 0 30v 2ma 3a Continuously Adjustable Dc Regulated Power Supply Diy Kit G4j7 Ebay



Diy Dual Channel Variable Lab Bench Power Supply 30v 10a 300w Build Test Geeky Soumya



24 Volt 5a Variable Or Adjustable Power Supply



30v 4a Adjustable Bench Power Supply



0 30v Laboratory Power Supply Electronics Lab Com



Laboratory Power Supply 0 30v 10a Share Project Pcbway



Konyvtar Ado Batorsag How To Make A Variable Voltage Dc Power Supply Thehoianlocal Com



1



Adjustable Power Supply 1 2 30v 5a Using Lm338 Diy Circuit



Lm324 Power Supply With Variable Voltage And Current



10a 1 30v Variable Power Supply With Lm317 Power Supply Design Power Supply Power Supply Circuit



Kkmoon 0 30v 2ma 3a Continuously Adjustable Dc Regulated Power Supply Diy Kit Short Circuit Current Limiting Protection



0 30v Laboratory Power Supply Electronics Lab Com



Power Supply Ac 2ma 3a Adjustable Untuk Perlindungan Diy 0 30v S Shopee Indonesia



Diy Variable Power Supply With Adjustable Voltage And Current



How To Make Adjustable Battery Charger 1 30v 0 10a Regulated Variable Power Su Lagu Mp3 Mp3 Dragon



Paul S Diy Electronics Blog Tuning A 0 30v Dc 0 3a Psu Diy Kit



Diy Variable Power Supply With Adjustable Voltage And Current



1



Easy Project Bench Power Supply 0 30v 2 Amp 10 Steps With Pictures Instructables



Buy Hiletgo 0 30v 2ma 3a Adjustable Dc Regulated Power Supply Diy Kit Short With Protection Online In Indonesia B01nbe97wh



Lm338 Power Supply 4 30v a



Adjustable Lab Power Supply 0 30v 0 3a



Lm324 Variable Power Supply Circuit Homemade Circuit Projects



Variable Voltage Power Supply Using The Lm317t



Adjustable 0 To 30v 2a Dc Power Supply Circuit Part 1 13



Top 10 Largest Diy Kit Power Supply Lm317 List And Get Free Shipping Lfttrcfz 63



0 30v 10a Power Supply Circuit Lm723 Tip3055 Electronics Projects Circuits



Circuit Design Schematic Of Adjustable Voltage Regulated Power Supply



Buy Diy Kit Dc Regulated Power Supply Module 0 30v 2ma 3a Adjustable For Arduino Diy Kit Short Circuit Current Limiting Protection At Affordable Prices Free Shipping Real Reviews With Photos Joom



Adjustable Power Supply 0



Variable Power Supply Electronic Schematic Diagram



0 30v Lab Variable Power Supply Under Ac Dc Dc Dc Circuits Next Gr



Diy Variable Power Supply



Pin On Electronic Projects Of Interest



Variable Power Supply Using 7805



2



My First Variable Power Supply Using Lm317 Eleccircuit



Pin On Electronic



Simple Variable Power Supply 1 5 30v 5a Power Supply Circuits



Electronic Circuits Schematics Diagram Free Electronics Projects 0 30v Power Supply Bench Variable



Diy Kit 0 30v 2ma 3a Dc Regulated Power Supply Continuously Adjustable Current Limiting Protection Buy Cheap In An Online Store With Delivery Price Comparison Specifications Photos And Customer Reviews



Easy Project Bench Power Supply 0 30v 2 Amp 10 Steps With Pictures Instructables



Laboratory Power Supply 0 30v 10a Share Project Pcbway



Circuit Zone Com Electronic Projects Electronic Schematics Diy Electronics



1



Circuit Zone Com Electronic Projects Electronic Schematics Diy Electronics



Simple Variable Power Supply Circuit 0 30v 2a Eleccircuit Com


0 件のコメント:
コメントを投稿